Hochwertiges Stahlblechrohr einsetzbar für alle Kamine, Öfen und Heizkessel.
Sofort einsatzbereit, die Senotherm-Lackierung ist bereits eingebrannt.
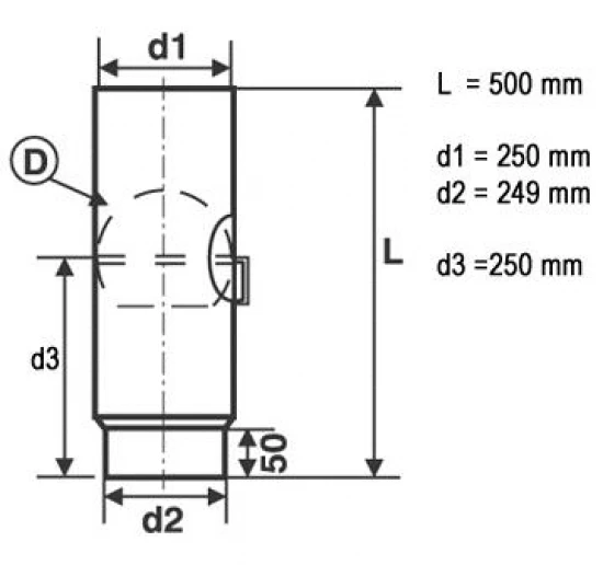
– Länge: 500 mm
– 2 mm Stahlblech
– Einseitig gezogen
– Senotherm Schwarz
– Mit integrierter Drosselklappe
– Aus deutscher Produktion














Rezensionen
Es gibt noch keine Rezensionen.